让娱乐更有趣! TFF325 法兰式静态扭矩传感器
类型:静态
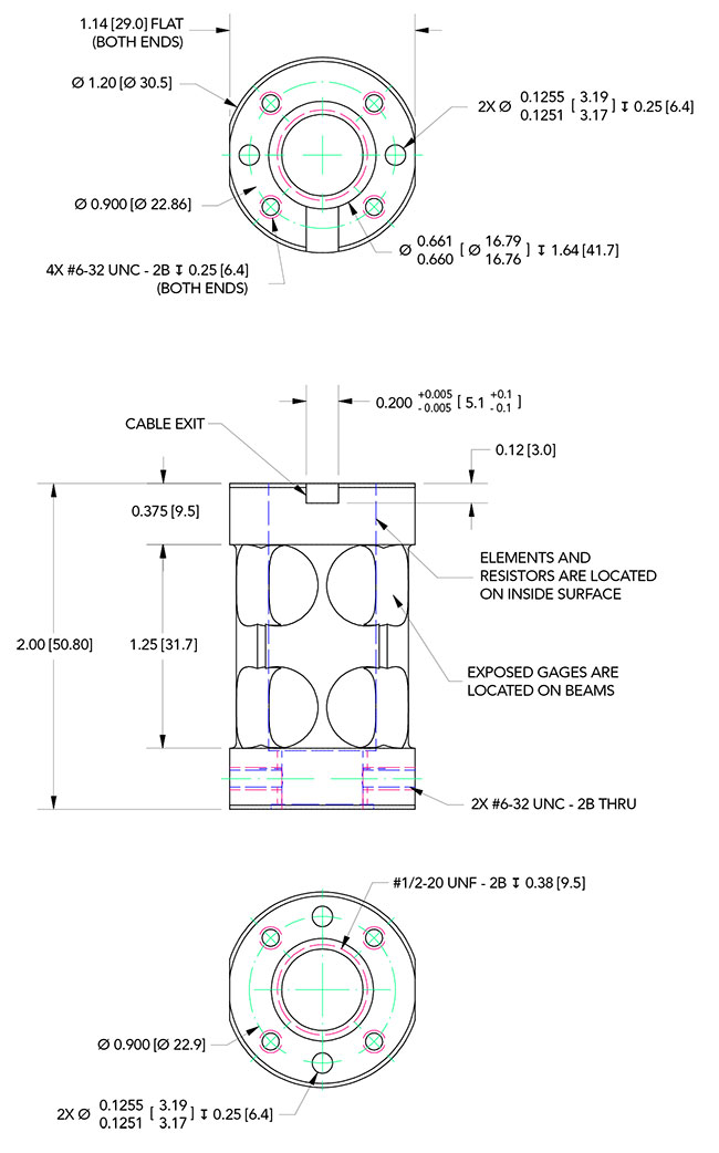
型号:TFF325
行业:雪鞋测试、电阻点焊、软管膨胀压力测量
型号:TFF325
行业:雪鞋测试、电阻点焊、软管膨胀压力测量




| 量程 | 0.14,0.35,1.36,5.65,11.3 N |
| 非线性 | ±0.2% of RO |
| 迟滞性 | ±0.2% of RO |
| 不可重复性 | ±0.05% of RO |
| 额定输出 | 2 mV/V |
| 激励 | 18(VDC or VAC) |
| 桥路电阻 | 1000 Ohm nom |
| 连接 | # 29 AWG,4导体,螺旋特氟龙电缆,152.4毫米长 |
| 重量 | 65.2 g |
| 过载保护 | 150% of RO |
| 材质 | 铝合金 |
| 防护等级 | IP00 |
| 操作温度 | -50 to +93 ℃ |
| 补偿温度 | 15 to +72 ℃ |
| 温度漂移零点 | 0.0036% of RO/℃ |
| 温度漂移范围 | 0.0036% of Load/℃ |
| 标定电压 | 10 VDC |




电话020-85262155
邮箱sales@omgl.com.cn