让娱乐更有趣! MBA400 双轴力传感器
类型:通用型
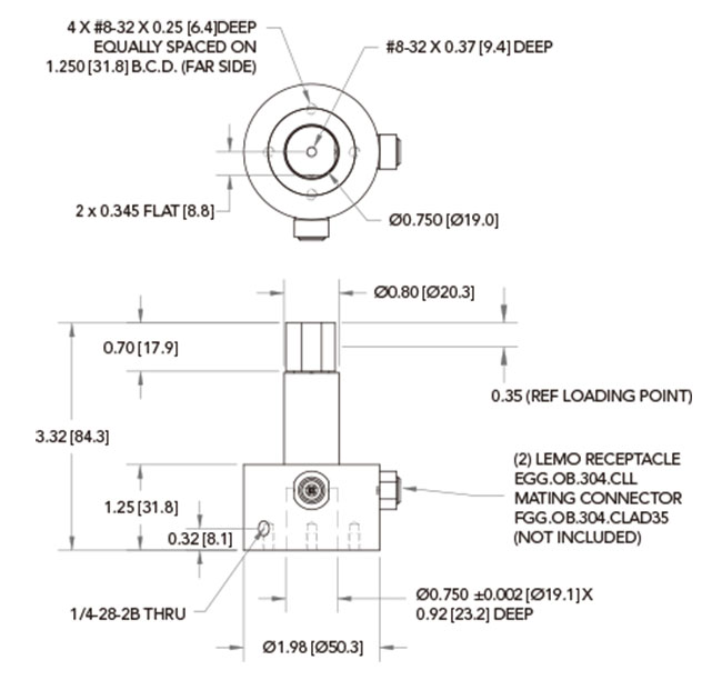
型号:MBA400
行业:雪鞋测试、电阻点焊、软管膨胀压力测量
型号:MBA400
行业:雪鞋测试、电阻点焊、软管膨胀压力测量




| 量程 | 222, 890 N |
| 非线性 | ±0.1% of RO |
| 额定输出 | 2 mV/V(222 N) |
| 3 mV/V(890 N) | |
| 激励 | 18 |
| 桥路电阻 | 350 Ohm nom |
| 绝缘电阻 | ≥500 MOhm @ 50 VDC |
| 电缆 | 4芯LEMO 插座EGG.0B.304.CLL |
| 重量 | 454 g |
| 过载保护 | 150% of RO |
| 材质 | 不锈钢 |
| 防护等级 | IP50 |
| 操作温度 | -51 to +93 ℃ |



电话020-85262155
邮箱sales@omgl.com.cn